Stel gerust al je vragen! Klantenservice
Ma - Vr 8:00 tot 17:00, Za gesloten
check Levering uit eigen voorraad
check Eigen transportservice
check Krijg advies van specialisten via telefoon en e-mail

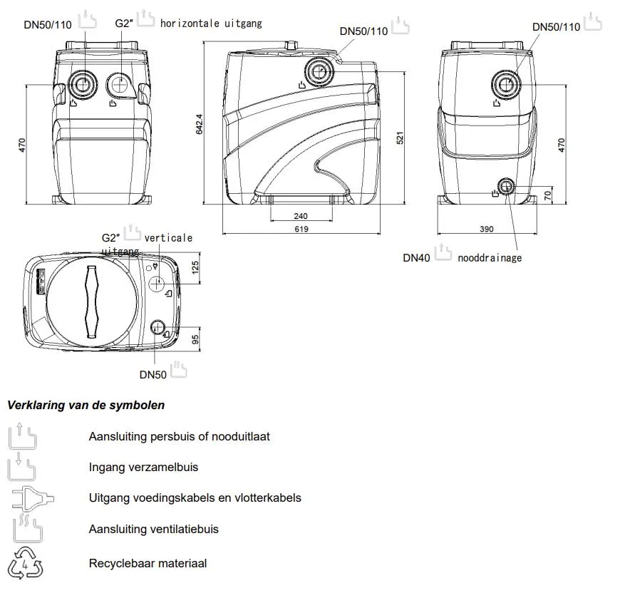
DAB Fekabox 110 pompput

SKU: RI.407.100 | Groep: 677

Omschrijving


De  DAB Fekabox 110 (excl. pomp)  is een pompput met een automatisch systeem. Hij is hiermee geschikt voor het verzamelen  en verpompen van afval-en rioolwater vanuit een toilet, afwas-en schoonmaakwater, douchewater en regenwater. Hij verpompt  vervuild water met vaste bestanddelen en  vezels met een maximale diameter van 50 mm. Het  station bestaat uit een reservoir van polyethyleen  en heeft een inhoud van 110 liter.  Het systeem is gas-en reukvrij dankzij  een deksel met  dichtingsring uit polyethyleen. Het opvoerstation is voorzien  van al het benodigde  leidingwerk De pompput beschikt over

  • 1 persuitgang DN 50-2 ''GAS
  • 3 instroomaansluitingen DN 110 en  1 van DN 50
  • ontluchtingsstop DN 50

De volgende dompelpompen zijn geschikt voor de DAB Fekabox 110:

Pompput: opslaan en afvoeren

Een  pompput  is een reservoir waarin één of meerdere pompen zijn gemonteerd. Deze put  vangt afvalwater op om dit automatisch te verpompen naar het rioolstelsel. Ze worden voornamelijk ingezet bij woningen en bedrijven waarbij er geen directe mogelijkheid is om het afvalwater af te voeren naar het rioolstelsel. Een reden kan zijn dat het rioolstelsel hoger ligt dan het huis of bedrijf. Dit is vaak het geval bij kelders en souterrains.

Ruimtes met een helling zoals parkeergarages zijn vaak genoodzaakt om een pompput te gebruiken. Wanneer het stevig regent komen er duizenden liters water per uur naar beneden. Dit stroomt dankzij de hellingbaan naar beneden en moet daarom verwerkt worden. De pompput is hiervoor de oplossing. Bij noodgebouwen worden er ook vaak pompputten geplaatst. Deze zorgen er dan voor dat het afvalwater vanuit toiletten, douches en andere sanitaire voorzieningen wordt opgeslagen en afgevoerd.  

Eigenschappen


Afmetingen (l x b x h)
56 x 70 x 38 cm
Geleverd met pomp
Nee
Gewicht
10,3 kg
Inhoud
110 liter
Materiaal
Pe
Max. grootte vuildeeltjes
50 mm
Maximale temperatuur afvalwater
50 graden
Persaansluiting
2"
Type / serie
Dab fekabox

0

0 Reviews

5

0

4

0

3

0

2

0

1

0

Reviews